檢測報(bào)告Inspection center
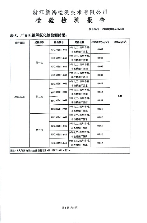
報(bào)告名稱:2023年1季度廠界檢測報(bào)告









檢測報(bào)告
- 中華化工下半年檢測報(bào)告
- 中華化工4季度檢測報(bào)告
- 中華化工廠界4季度檢測報(bào)告
- 縱華10月廢氣檢測報(bào)告
- 中華化工4季度廢水檢測報(bào)告
- 中華化工噪聲4季度檢測報(bào)告
- 中華熱電噪聲4季度檢測報(bào)告
- 中華熱電廠界4季度檢測報(bào)告
- 中華熱電10月廢氣檢測報(bào)告
- 中華熱電10月廢水檢測報(bào)告
- 縱華9月廢氣檢測報(bào)告
- 中華熱電3季度廠界檢測報(bào)告
- 中華熱電3季度噪聲檢測報(bào)告
- 中華熱電9月廢氣檢測報(bào)告
- 中華熱電9月廢水檢測報(bào)告
- 中華化工3季度廢氣檢測報(bào)告
- 中華化工3季度噪聲檢測報(bào)告
- 中華化工3季度廢水檢測報(bào)告
- 中華化工3季度廠界檢測報(bào)告
- 縱華7月廢氣檢測報(bào)告
- 中華熱電7月廢氣檢測報(bào)告
- 中華熱電7月廢水檢測報(bào)告
- 中華化工上半年廢氣檢測報(bào)告
- 中華化工2季度廢氣檢測報(bào)告
- 中華化工2季度噪聲檢測報(bào)告
- 中華熱電2季度噪聲檢測報(bào)告
- 中華熱電6月廢氣檢測報(bào)告
- 中華熱電6月廢水檢測報(bào)告
- 縱華6月廢氣檢測報(bào)告
- 縱華2季度廢氣檢測報(bào)告




浙公網(wǎng)安備:33041102000251號